Kábellétra, LG 110, 6 m VS FS

Rend. szám 6216454 | EAN-kód 4012195065340

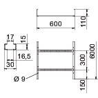
6000 mm
1,5 mm
nem
acél
szalaghorganyzott
Termékleírás
Termékleírás
Kábellétra perforált oldallemezzel, oldalmagasság: 110 mm; létrafokok: beszegecselve, felülről nyitott C-profilból.
Mágneses árnyékoló csillapítás fedél nélkül 10 dB, fedéllel 15 dB.

A kábellétrákat összecsukott állapotban szállítjuk.

A hozzájuk tartozó BS-H... típusú kengyeles bilincs a Kábelhágcsó-rendszerek c. fejezetben található.

  • Mágneses árnyékoló csillapítás
  • Communautés Européennes, az EK iránymutatásai szerinti megfelelőségi nyilatkozat
  • UKCA Megfelelőségi nyilatkozat
  • Kábellétra, 110 mm oldalmagasságú
  • Környezetvédelmi terméknyilatkozat, (EPD)
  • CO₂-lábnyom (PCF)
Műszaki adatok

Műszaki adatok

A létrafok rögzítése szegecselve
A létrafokok kivitele Profil perforált
Anyag acél
Az oldalprofil kivitele lapos profil
B méret 600 mm
CO2-lábnyom (GWP) bölcsőtől a kapuig 11,2828 kg CO2e / 1 Méter
Felület szalaghorganyzott
Hasznos keresztmetszet 56800 mm²
Hasznos keresztmetszet 568 cm²
Hossz 6000 mm
Létrafok távolsága 16,50
Létrafoktávolság 300 mm
Magasság 110 mm
Méret 110x600x6000
Méret 110x600x6000
Nagyfesztávú kivitel nem
Oldalperforálás igen
Pofa-lemezvastagság 1,5 mm
Rozsdamentes acél, maratott nem
Szélesség 600 mm
Szín cink
Támaszköz 2,0 m 3,1 kN/m
Támaszköz 2,5 m 2 kN/m
Támaszköz 3,0 m 1,4 kN/m
Támaszköz 3,5 m 0,9 kN/m
Támaszköz 4,0 m 0,65 kN/m
Támaszköz 4,5 m 0,55 kN/m
Támaszköz 6,0 m 0,15 kN/m
Támasztáv 5,0 m 0,5 kN/m
Tűzálló kábelrendszerek – nem

Műszaki adatok

LG 110 VS típusú kábellétra terhelési diagramja

LG 110 VS típusú kábellétra terhelési diagramja
  • Megengedett kábeltálca-/kábellétra-terhelés kN/m-ben a szerelő súlya nélkül Megengedett kábeltálca-/kábellétra-terhelés kN/m-ben a szerelő súlya nélkül
  • Támaszköz m-ben Támaszköz m-ben
  • A pofalemez behajlása mm-ben, a megengedett (max.) kN/m terhelés esetén. A pofalemez behajlása mm-ben, a megengedett (max.) kN/m terhelés esetén.
  • Vizsgálati eljárás terhelési vázlata Vizsgálati eljárás terhelési vázlata
  • Terhelési görbe mm-ben megadott kábeltálca/kábellétra-szélességgel Terhelési görbe mm-ben megadott kábeltálca/kábellétra-szélességgel
  • Pofabehajlási görbe a támaszköztől függően Pofabehajlási görbe a támaszköztől függően
Minden típus

Minden típus

Típus Hossz Szélesség Pofa-lemezvastagság Tűzálló kábelrendszerek – Anyag Felület Rend. szám Mennyiség Legkisebb eladási egység
LG 112 VS 6 FS 6000 mm 200 mm 1,5 mm nem acél szalaghorganyzott 6216442
6 m
LG 113 VS 6 FS 6000 mm 300 mm 1,5 mm nem acél szalaghorganyzott 6216445
6 m
LG 114 VS 6 FS 6000 mm 400 mm 1,5 mm nem acél szalaghorganyzott 6216448
6 m
LG 115 VS 6 FS 6000 mm 500 mm 1,5 mm nem acél szalaghorganyzott 6216451
6 m
LG 116 VS 6 FS 6000 mm 600 mm 1,5 mm nem acél szalaghorganyzott 6216454
6 m
Tartozék

Rendszertartozékok

Termékek Típus Rend. szám Mennyiség Legkisebb eladási egység
Fedél forgóretesszel Fedél forgóretesszel DRL 600 FS 6052606
3 m
Hosszanti összekötő Hosszanti összekötő LVG 110 FS 6216545
10 Darab
Sarokösszekötő FS Sarokösszekötő FS LWVG 110 FS 6216587
10 Darab
Csuklós összekötő Csuklós összekötő LGVG 110 FS 6216650
10 Darab
Multifunkciós összekötő Multifunkciós összekötő LMFV 1160 FS 6225758
1 Darab
90°-os sarokidom, 110 FS 90°-os sarokidom, 110 FS LB 90 1160 R3 FS 6225130
1 Darab
T-idom, 110 FS T-idom, 110 FS LT 1160 R3 FS 6225298
1 Darab
Beépíthető leágazóidom, 110 FS Beépíthető leágazóidom, 110 FS LAA 1160 R3 FS 6225918
1 Darab
Csuklós sarokidom-elem, 110 FS Csuklós sarokidom-elem, 110 FS LGBE 1160 FS 6225498
1 Darab
Védősapka Védősapka SKH 110 OR 6222553
20 Pár
Csatlakozóelem Csatlakozóelem LAS 110 FS 6221416
10 Darab
Válaszfal, 85 FS Válaszfal, 85 FS TSG 85 FS 6062114
3 m
Saroklemez Saroklemez LEB 25 FS 6221203
1 Darab
Saroklemez Saroklemez LEB 50 FS 6221246
1 Darab
Betétlemez Betétlemez ELB-L 60 FS 6103332
3 m
Letöltések

Letöltés

EU megfelelőségi nyilatkozat LG 116 VS 6 FS / 6216454 , 0.12MB , pdf
Letöltés
Környezetvédelmi terméknyilatkozat, (EPD) LG 116 VS 6 FS / 6216454 , 1.48MB , pdf
Letöltés

Letöltés
Letöltés

LG 116 VS 6 FS / 6216454
Letöltés