Kábellétra, LG 110, 6 m VS FT

Rend. szám 6216474 | EAN-kód 4012195065401

6000 mm
1,5 mm
nem
acél
merítetten tűzihorganyzott
Termékleírás
Termékleírás
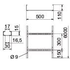
Kábellétra perforált oldallemezzel, oldalmagasság: 110 mm; létrafokok: beszegecselve, felülről nyitott C-profilból.
Mágneses árnyékoló csillapítás fedél nélkül 10 dB, fedéllel 15 dB.

A kábellétrákat összecsukott állapotban szállítjuk.

A hozzájuk tartozó BS-H... típusú kengyeles bilincs a Kábelhágcsó-rendszerek c. fejezetben található.

  • Mágneses árnyékoló csillapítás
  • Communautés Européennes, az EK iránymutatásai szerinti megfelelőségi nyilatkozat
  • UKCA Megfelelőségi nyilatkozat
  • Kábellétra, 110 mm oldalmagasságú
  • Környezetvédelmi terméknyilatkozat, (EPD)
  • CO₂-lábnyom (PCF)
Műszaki adatok

Műszaki adatok

A létrafok rögzítése szegecselve
A létrafokok kivitele Profil perforált
Anyag acél
Az oldalprofil kivitele lapos profil
B méret 500 mm
CO2-lábnyom (GWP) bölcsőtől a kapuig 10,4488 kg CO2e / 1 Méter
Felület merítetten tűzihorganyzott
Hasznos keresztmetszet 47500 mm²
Hasznos keresztmetszet 475 cm²
Hossz 6000 mm
Létrafok távolsága 16,50
Létrafoktávolság 300 mm
Magasság 110 mm
Méret 110x500x6000
Méret 110x500x6000
Nagyfesztávú kivitel nem
Oldalperforálás igen
Pofa-lemezvastagság 1,5 mm
Rozsdamentes acél, maratott nem
Szélesség 500 mm
Szín cink
Támaszköz 2,0 m 3,1 kN/m
Támaszköz 2,5 m 2 kN/m
Támaszköz 3,0 m 1,4 kN/m
Támaszköz 3,5 m 0,9 kN/m
Támaszköz 4,0 m 0,65 kN/m
Támaszköz 4,5 m 0,55 kN/m
Támaszköz 6,0 m 0,15 kN/m
Támasztáv 5,0 m 0,5 kN/m
Tűzálló kábelrendszerek – nem

Műszaki adatok

LG 110 VS típusú kábellétra terhelési diagramja

LG 110 VS típusú kábellétra terhelési diagramja
  • Megengedett kábeltálca-/kábellétra-terhelés kN/m-ben a szerelő súlya nélkül Megengedett kábeltálca-/kábellétra-terhelés kN/m-ben a szerelő súlya nélkül
  • Támaszköz m-ben Támaszköz m-ben
  • A pofalemez behajlása mm-ben, a megengedett (max.) kN/m terhelés esetén. A pofalemez behajlása mm-ben, a megengedett (max.) kN/m terhelés esetén.
  • Vizsgálati eljárás terhelési vázlata Vizsgálati eljárás terhelési vázlata
  • Terhelési görbe mm-ben megadott kábeltálca/kábellétra-szélességgel Terhelési görbe mm-ben megadott kábeltálca/kábellétra-szélességgel
  • Pofabehajlási görbe a támaszköztől függően Pofabehajlási görbe a támaszköztől függően
Minden típus

Minden típus

Típus Hossz Szélesség Pofa-lemezvastagság Tűzálló kábelrendszerek – Anyag Felület Rend. szám Mennyiség Legkisebb eladási egység
LG 112 VS 6 FT 6000 mm 200 mm 1,5 mm nem acél merítetten tűzihorganyzott 6216465
6 m
LG 113 VS 6 FT 6000 mm 300 mm 1,5 mm nem acél merítetten tűzihorganyzott 6216468
6 m
LG 114 VS 6 FT 6000 mm 400 mm 1,5 mm nem acél merítetten tűzihorganyzott 6216471
6 m
LG 115 VS 6 FT 6000 mm 500 mm 1,5 mm nem acél merítetten tűzihorganyzott 6216474
6 m
LG 116 VS 6 FT 6000 mm 600 mm 1,5 mm nem acél merítetten tűzihorganyzott 6216477
6 m
Tartozék

Rendszertartozékok

Termékek Típus Rend. szám Mennyiség Legkisebb eladási egység
Fedél forgóretesszel Fedél forgóretesszel DRL 500 FT 6051448
3 m
Hosszanti összekötő Hosszanti összekötő LVG 110 FT 6216548
10 Darab
Csuklós összekötő, FT Csuklós összekötő, FT LGVG 110 FT 6216653
10 Darab
Multifunkciós összekötő, FT Multifunkciós összekötő, FT LMFV 1150 FT 6225778
1 Darab
90°-os sarokidom, 110 FT 90°-os sarokidom, 110 FT LB 90 1150 R3 FT 6225150
1 Darab
T-idom, 110 FT T-idom, 110 FT LT 1150 R3 FT 6225318
1 Darab
Beépíthető leágazóidom, 110 FT Beépíthető leágazóidom, 110 FT LAA 1150 R3 FT 6225938
1 Darab
Csuklós sarokidom-elem, 110 FT Csuklós sarokidom-elem, 110 FT LGBE 1150 FT 6225518
1 Darab
Védősapka Védősapka SKH 110 OR 6222553
20 Pár
Támasztóelem Támasztóelem LAW FT 6221513
10 Darab
Csatlakozóelem, FT Csatlakozóelem, FT LAS 110 FT 6221424
10 Darab
Válaszfal, 85 DD Válaszfal, 85 DD TSG 85 DD 6062331
3 m
Saroklemez, DD Saroklemez, DD LEB 25 DD 6221216
1 Darab
Saroklemez, DD Saroklemez, DD LEB 50 DD 6221259
1 Darab
Támasztólemez Támasztólemez LALB 50 FT 6221882
1 Darab
Kábel kilépő lemez Kábel kilépő lemez LAB 50 FT 6220460
1 Darab
Betétlemez, DD Betétlemez, DD ELB-L 50 DD 6103364
3 m
Letöltések

Letöltés

EU megfelelőségi nyilatkozat LG 115 VS 6 FT / 6216474 , 0.12MB , pdf
Letöltés
Környezetvédelmi terméknyilatkozat, (EPD) LG 115 VS 6 FT / 6216474 , 1.48MB , pdf
Letöltés

Letöltés
Letöltés

LG 115 VS 6 FT / 6216474
Letöltés