Hajóipari kábellétra Z-profillal, normál, FT

Rend. szám 7098133 | EAN-kód 4012196046423

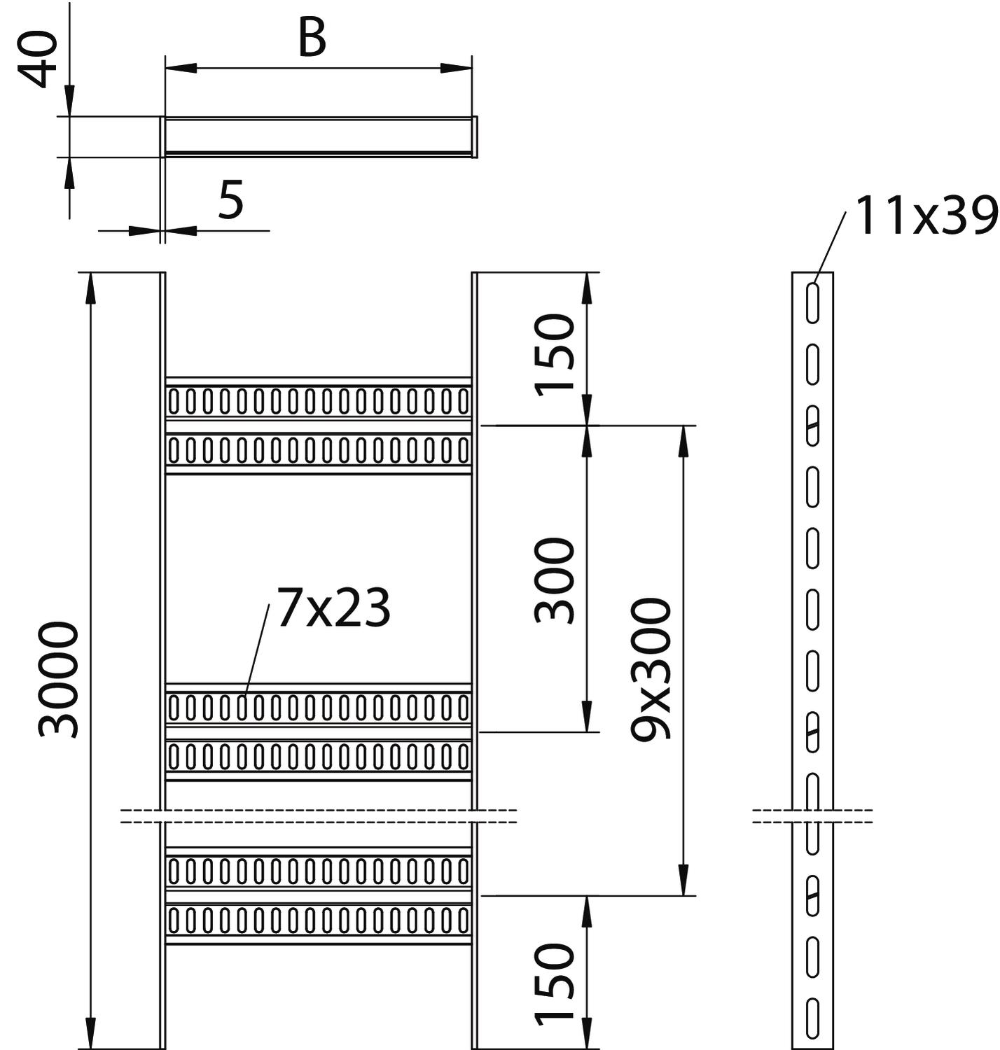
3000 mm
5 mm
nem
Termékleírás
Termékleírás
Hajóipari kábellétra, 40 mm magas perforált oldalfallal, hegesztett perforált Z-létrafokkal. A terhelés vizsgálata az IEC alapján történt, az SLV típusú összekötővel.


A hajóipari kábellétrák beleértve az idomokat nemesacélból is rendelhetőek. Porszórás RAL színekben lehetséges.

  • RINA 1861, Ship Classification, Certification and Services
  • Germanischer Lloyd
  • Communautés Européennes, az EK iránymutatásai szerinti megfelelőségi nyilatkozat
  • CO₂-lábnyom (PCF)
Műszaki adatok

Műszaki adatok

A létrafok rögzítése hegesztett
A létrafokok kivitele Profil perforált
Anyag acél
Az oldalprofil kivitele lapos profil
B méret 160 mm
CO2-lábnyom (GWP) bölcsőtől a kapuig 8,8505 kg CO2e / 1 Méter
Felület merítetten tűzihorganyzott
Hossz 3000 mm
Létrafoktávolság 300 mm
Magasság 40 mm
Méret 40x160x3000
Méret 40x150
Nagyfesztávú kivitel nem
Oldalperforálás igen
Pofa-lemezvastagság 5 mm
Rozsdamentes acél, maratott nem
Szélesség 150 mm
Szín cink
Támaszköz 1,5 m 2,8 kN/m
Támaszköz 2,0 m 1,75 kN/m
Támaszköz 2,5 m 1 kN/m
Támaszköz 3,0 m 0,6 kN/m
Tűzálló kábelrendszerek – nem

Műszaki adatok

SLZ típusú kábellétra terhelési diagramja

SLZ típusú kábellétra terhelési diagramja
  • Megengedett kábeltálca-/kábellétra-terhelés kN/m-ben a szerelő súlya nélkül Megengedett kábeltálca-/kábellétra-terhelés kN/m-ben a szerelő súlya nélkül
  • Támaszköz m-ben Támaszköz m-ben
  • A pofalemez behajlása mm-ben, a megengedett (max.) kN/m terhelés esetén. A pofalemez behajlása mm-ben, a megengedett (max.) kN/m terhelés esetén.
  • Terhelési görbe mm-ben megadott kábeltálca/kábellétra-szélességgel Terhelési görbe mm-ben megadott kábeltálca/kábellétra-szélességgel
  • Pofabehajlási görbe a támaszköztől függően Pofabehajlási görbe a támaszköztől függően
  • Vizsgálati eljárás terhelési vázlata Vizsgálati eljárás terhelési vázlata
Minden típus

Minden típus

Típus Hossz Szélesség Pofa-lemezvastagság Tűzálló kábelrendszerek – Rend. szám Mennyiség Legkisebb eladási egység
SLZ 100 FT 3000 mm 100 mm 5 mm nem 7098132
3 m
SLZ 150 FT 3000 mm 150 mm 5 mm nem 7098133
3 m
SLZ 200 FT 3000 mm 200 mm 5 mm nem 7098134
3 m
SLZ 300 FT 3000 mm 300 mm 5 mm nem 7098136
3 m
SLZ 400 FT 3000 mm 400 mm 5 mm nem 7098138
3 m
SLZ 500 FT 3000 mm 500 mm 5 mm nem 7098140
3 m
SLZ 600 FT 3000 mm 600 mm 5 mm nem 7098142
3 m
Tartozék

Szerelési segédanyagok

Termékek Típus Rend. szám Mennyiség Legkisebb eladási egység
Feszítőszalag, A2K, mélyfekete Feszítőszalag, A2K, mélyfekete SBR 8 A2K 6490192
40 m
Feszítőszalag, FSK, kőszürke Feszítőszalag, FSK, kőszürke SBR 15 FSK 6490280
25 m
Letöltések

Letöltés

EU megfelelőségi nyilatkozat SLZ 150 FT / 7098133 , 0.12MB , pdf
Letöltés
REACH Megfelelőségi nyilatkozat SLZ 150 FT / 7098133 , 0.12MB , pdf

Letöltés

SLZ 150 FT / 7098133
Letöltés