Csatlakozóelem kettős bilinccsel

Rend. szám 5320707 | EAN-kód 4012196127504

5320707 / 287 DCT
N/50 kA
8 mm
Termékleírás
Termékleírás
• entspricht den Anforderungen nach VDE 0185-305 (IEC 62305)
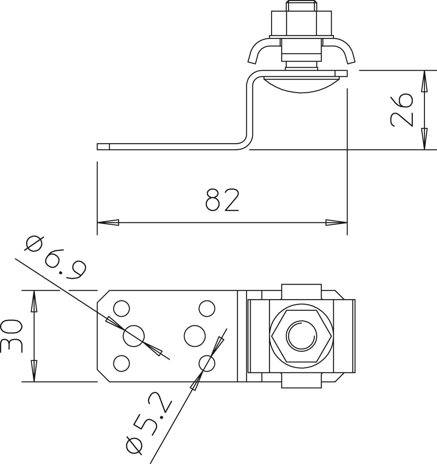
• schnelle Montage mittels einer M10x30 Schraube aus rostfreiem Edelstahl
• mit Federscheibe
• 4 Befestigungslöchern Ø 5,2 mm
• 2 Befestigungslöchern Ø 6,9 mm
  • Villámárammal bevizsgálva
  • CO₂-lábnyom (PCF)
  • Műanyagmentes csomagolás
  • Csomagolás teljes egészében újrahasznosított kartonból készült
Műszaki adatok

Műszaki adatok

A csatlakozás módja Csatlakozókapocs
A rögzítőcsavar fajtája Lencsefejű csavar
Anyag alumínium
CO2-lábnyom (GWP) bölcsőtől a kapuig 0,3976 kg CO2e / 1 Darab
Csatlakozási méret min. 8 mm
Illeszkedő méret 8 mm
Méret 82x30x26
min. körvezető-átmérőhöz megfelelő 8 mm
Szín alumínium
Villámáram-szilárdság N/50 kA
Minden típus

Minden típus

Típus Villámáram-szilárdság Illeszkedő méret Rend. szám Mennyiség Legkisebb eladási egység
287 DCT N/50 kA 8 mm 5320707
1 Darab
Letöltések

Letöltés

Letöltés

REACH Megfelelőségi nyilatkozat 287 DCT / 5320707 , 0.12MB , pdf
RoHS Megfelelőségi nyilatkozat 287 DCT / 5320707 , 0.12MB , pdf

287 DCT / 5320707
Letöltés